Новости, обзоры и акции
Новости, обзоры и акции
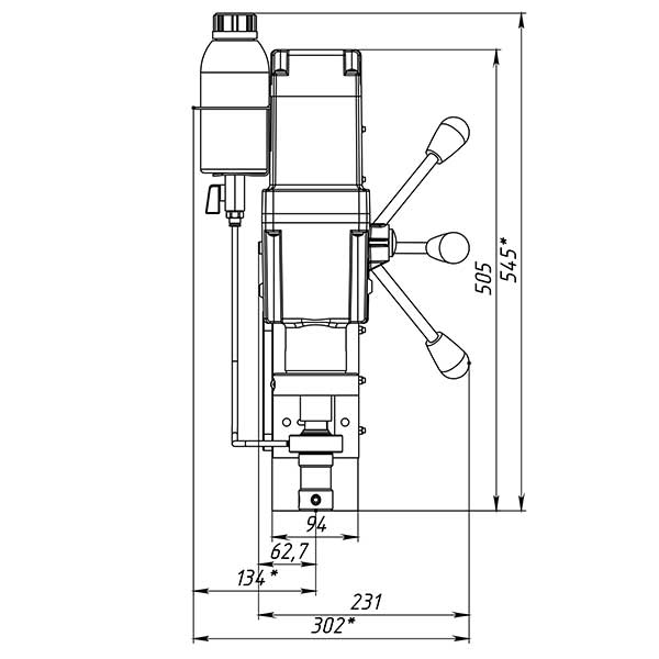
Магнитный сверлильный станок MBA-100
Особенности
Магнитный сверлильный станок МВА-100 предназначен для промышленного использования, сверления большого количества отверстий диаметром до 100 мм, а также будет надежен при использовании спиральных сверл диаметром до 32 мм. Мы производим этот переносной станок с 2008 года и за прошедший период он получил новую станину, усовершенствованный электромагнит и даже упаковку. Но неизменными остались надежность мощного электродвигателя с четырьмя механическими передачами, высокая прочность и утилитарные параметры. В общем - это рабочая машина для больших и средних заводов, крупных строек и ремонтных процессов на массивном оборудовании. Станок производится в России.
Преимущества
- Мощный немецкий электродвигатель Eibenstock с двухкамерной системой смазки редуктора и механическим переключением четырех скоростей. Первая скорость – пониженная, позволяет сверлить биметаллическими коронками.
- Электромагнит, усовершенствованный в 2012г., с увеличенной прижимной силой и специальной водостойкой пропиткой катушек.
- Высокая точность сверления - максимальное радиальное биение в пределах 0,08 мм.
- Рукоятка подачи переставляется на любую сторону магнитного станка
- С использованием дополнительных адаптеров АКСТ, станок можно устанавливать на неровных поверхностях, трубах, а так же не магнитных трубах. Конструкторы нашей компании готовы рассмотреть и разработать любую оснастку, которая решит Ваши задачи.
Дополнительные возможности
- Установка адаптера для врезки в трубы диаметром от 650 мм (адаптер АКСТ3)
Комплектация
- магнитный сверлильный станок
- держатель корончатого сверла с хвостовиком Weldon 19 и внутренним подводом СОЖ
- ключи для смены инструмента и регулировки
- клин для снятия конуса Морзе
- бачок для СОЖ с трубкой
- страховочная цепь
- клин для снятия оснастки
- рукоятки
- ящик
Магнитный сверлильный станок MBA-100 в продаже по цене 127 512 руб. в Интернет-магазине Проф-инструмент с доставкой в Хантах-Мансийске и Хантах-Мансийском Автономном Округе - Югре. Звоните по телефону +8 (800) 302-10-51.
