Будьте в курсе!
Новости, обзоры и акции
Время работы:
ПН-ПТ 10:00 - 19:00
СБ-ВС выходной
Новости, обзоры и акции
|
|
|
|
|
|
(0)
|
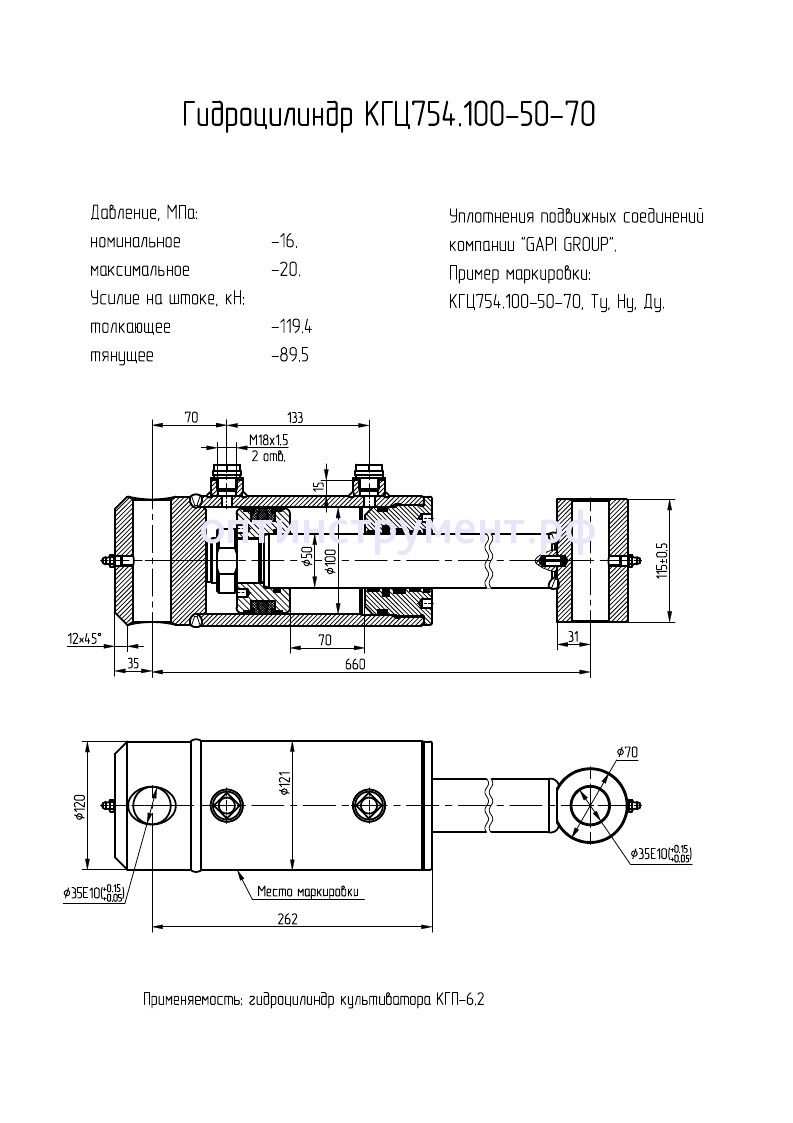
Вы можете узнать актуальную цену для города Хант-Мансийска, на гидроцилиндр КГЦ754.100-50-70, сделав запрос, на наш электронный адрес 2584500@bk.ru
Гидроцилиндр культиватора "КГП-6.2" КГЦ 754.100-50-70 в продаже по цене 19 680 руб. в Интернет-магазине Проф-инструмент с доставкой в Хантах-Мансийске и Хантах-Мансийском Автономном Округе - Югре. Звоните по телефону +8 (800) 302-10-51.
Новости, обзоры и акции
