Будьте в курсе!
Новости, обзоры и акции
Время работы:
ПН-ПТ 10:00 - 19:00
СБ-ВС выходной
Новости, обзоры и акции
|
|
|
|
|
|
(0)
|
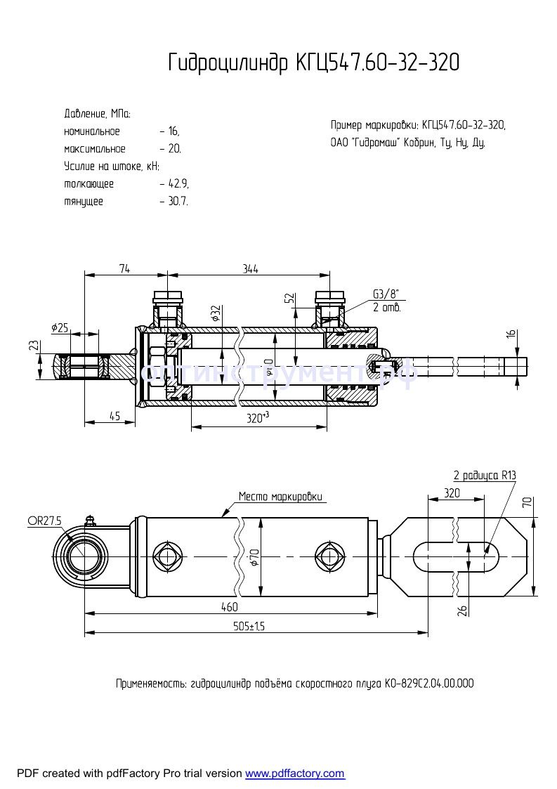
Вы можете узнать актуальную цену для города Хант-Мансийска, на гидроцилиндр КГЦ547.60-32-320, сделав запрос, на наш электронный адрес 2584500@bk.ru
Гидроцилиндр подъёма скоростного плуга КГЦ 547.60-32-320 в продаже по цене 8 805 руб. в Интернет-магазине Проф-инструмент с доставкой в Хантах-Мансийске и Хантах-Мансийском Автономном Округе - Югре. Звоните по телефону +8 (800) 302-10-51.
Новости, обзоры и акции
